ZSX-3水位信號裝置用途
ZSX-3水位信號裝置用于水輪合發電機組自動化系統中,作為反應水位變化的信號元件。
ZSX-3水位信號裝置工作原理
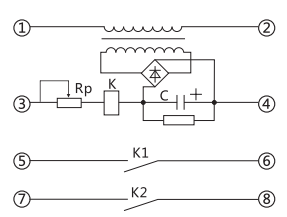
裝置由變壓器、整流橋、小型密封電磁繼電器、電容器、電位器等組成。原理接線圖見圖1。
裝置端子①、②接交流220V、50Hz電源,當水位上升到使③、④(接水位電極)形成通路時電磁繼電器K動作 ,動合觸點閉合 ,裝置發出信號。

ZSX-3水位信號裝置技術要求
1、額定電壓:裝置的額定電壓為交流220V、50Hz。
2、動作值:裝置的動作電壓不超過85%額定電壓。
3、動作時間:在額定電壓下,裝置動作時間不大于50ms。
4、功率消耗:在額定電壓下,功率消耗不大于3VA。
5、線圈溫升:當周圍環境為40°C時,裝置線圈應能長期承受1.1倍額定電壓,其溫升不超過60°C。
6、觸點斷開容量:在直流有感(τ=5ms)回路, U≤250V, I≤0.4A為30W。
7、介質強度:裝置所有電路對外殼之間及非帶電金屬部分應能耐受2?(有效值) , 50Hz的交流試驗電壓,歷時1min ,而無絕緣擊穿或閃絡現象 。
8、壽命:機械壽命為104次;電壽命為103次。
ZSX-3水位信號裝置調試方法
1、使用前應對裝置進行外觀檢査。
2、將端子①、②接交流220V、50Hz電源,③、④(使用時分別接水位的兩極)短接,并把電位器之值置于**,檢査動作電壓, 當動作電壓不大于85%額定電壓時,裝置動作。
3、在接入水位電極時,如因水電阻的變化影響動作值時可調整電位器。
ZSX-3水位信號裝置外形結構及安裝開孔尺寸

10月11日,長源電力發布公告,10月9日,公司收到招標代理機構國家能源集團國際工程咨詢有限公司發出的《中標通知書》,確定龍源環保為公司全資子公司國能長源荊州熱電有限公···
2025年10月8日,內蒙古自治區迎來我國能源探索史上的一個里程碑時刻——全國首口天然氫氣科學探井“金氫科探1井”正式開鉆。這是我國**面向天然氫氣資源實施的科學鉆探,···
10月15日,重慶市發展改革委關于印發《重慶市深化新能源上網電價市場化改革實施方案》的通知,通知指出,存量項目電量規模、機制電價和執行期限。1.存量項目范圍。2025年6···
近日,海南電網有限責任公司2025年第二批數字化框架公開招標項目招標公告。詳情如下:海南電網有限責任公司2025年第二批數字化框架公開招標項目招標公告(項目編號:CG0700···
熱風扇是一種常見的小型電器,廣泛用于冷暖季節的溫度調節。它通過產生熱風來提供溫暖,使室內環境更加舒適。以下是熱風扇的使用細節和維護方法,幫助您更好地使用和保養這···
空調不制冷是常見的故障之一,可能由多種原因引起。在遇到這種情況時,可以采取一系列的調試和維修步驟,以盡快解決問題。以下是一些常見的調試和維修方法,幫助您定位并修···
冰箱壓縮機是冷藏系統的核心部件,負責壓縮和泵送制冷劑以維持冰箱內的低溫環境。調試和維修冰箱壓縮機需要一定的專業知識,以下是一些常見的調試和維修方法,以確保冰箱的···
汽車繼電器是車輛電氣系統中的重要組成部分,其主要作用是在電路中進行電氣控制。這些繼電器在汽車中扮演著關鍵的角色,用于多種不同的方面,以確保車輛的正常運行、提高安···